automaticdiluter
61-4719-17 High Vacuum Greaseless Valve Y Type (Straight Type) with Groove 2224-8Y-G
Product Description
Product Model: 61-4719-17Product Brand: ASAHI SEISAKUSH […]
Contact Us
Product Details
Product Model: 61-4719-17
Product Brand: ASAHI SEISAKUSHO CO., LTD.
Features
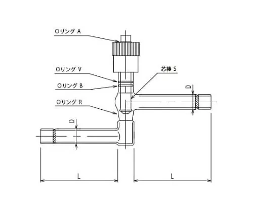
- Suitable for preventing the fitting from falling out (slight pressure).
- Good roundness and surface accuracy of the seal surface make it suitable for *** in high vacuum.
- The precision of the screw part is high, and the valve can be opened and closed with a light touch.
- Replaceable core rods and easy maintenance.
- The tolerance of the glass tube L is ±5 mm.
- Fitting is not included.
Spec
- D: Φ8 x Φ5
- L: 80
- Format: GTV-8Y-G
Related product recommendations
You may also be interested in the following products
62-9845-18 [Discontinued]Liferon Tubing(Flexble Plastic tubing) 20 mm x 28 mm 1 m
model: 62-9845-18
brand: KOKUGO Co., Ltd.
64-3984-37 High Performance Non-Asbestos Black Super 2t Internal Packing (with Ears) V6502-5KRF2T-15A
model: 64-3984-37
brand: NIPPON VALQUA INDUSTRIES, LTD.
61-7660-41 Speed Controller Sputter Elbow Type M5 x 0.8 JSC4-M5BV-0
model: 61-7660-41
brand: NIHON PISCO CO., LTD.